[外包接案使用調查]
公告
如何發案
如何接案
幫助中心
數字APP
▾
8591寶物交易
591房屋交易
100室內設計
8891中古車
8891汽車
518熊班
熊班企業版
小雞上工
找師傅
關鍵的事,交給對的人
我要接案
找專家
全部專家
AI應用
商業設計
軟硬體開發
法律會計
翻譯寫作
企劃行銷
專業諮詢
攝影娛樂
生活服務
找服務
全部服務
AI應用
商業設計
軟硬體開發
法律會計
翻譯寫作
企劃行銷
專業諮詢
攝影娛樂
生活服務
熱門外包
AI 應用
平面設計
會計記帳
短影音拍攝
公司記帳報稅
找行情
動態
聊聊
立即登入
案主
專家
帳戶中心
案件管理
登入 / 註冊
我要發案
出任務
>
找專家
>
東東設計
>
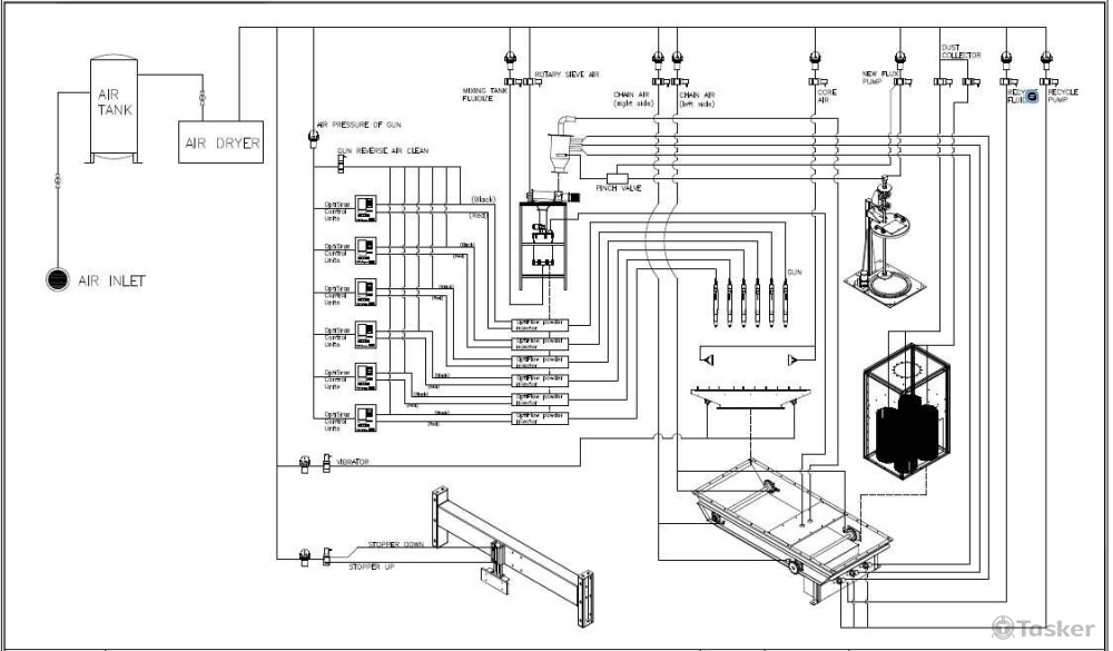
設備氣壓迴路圖
東東設計
10
人諮詢
開始諮詢
水電及其他工程繪圖
設備氣壓迴路圖
74
・
2026/04/22 更新
更多來自 東東設計 的作品
XYtable平面塗佈機(附工件轉盤)
機械相關設計
17
粉體塗裝噴房(脈衝式回收後牆)
模具繪圖
22
往復機
機械相關設計
31
密閉式烘烤爐
機械相關設計
22
東東設計
一週前上線
平均 15小時內 回覆
開始諮詢
東東設計
10
人諮詢
一週前上線
平均 15小時內 回覆
開始諮詢