最多諮詢
13
提案數
10
諮詢數
2
成交數
100%
回覆率
- 工業工程類
- 2D製圖
- 3D建模設計
- 3D渲染
- 3D掃描建模
- +2
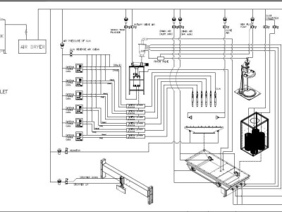
非標準自動化設備研發製造(整廠、單機、部分零組件) 專業機械製圖(2D、3D、工程圖、爆炸圖、BOM表等)
作品(17)
評價(6)
5.0
6 則真實評價
100%
專案完成率
2 件
諮詢印象
4 位案主聊聊滿意度
- 秒回神速2
- 資歷豐富2
- 態度熱忱1
- 卓越超群1
專案執行
2 位案主合作後評價
整體推薦
5.0
溝通契合
5.0
專業能力
5.0
準時交付
5.0
回覆速度
5.0
SOO
機構件設計圖 要外包畫圖
2026/04/02 聊聊滿意度態度熱忱陳OO
自動化客製設備評估
2025/12/07 聊聊滿意度秒回神速資歷豐富卓越超群林OO
畫鋼板圖
2025/11/18 聊聊滿意度秒回神速


