展開側邊欄位的漢堡樣式按鈕

機械相關設計

作品

29
2026/04/20 更新

Solidworks-立體零件組合

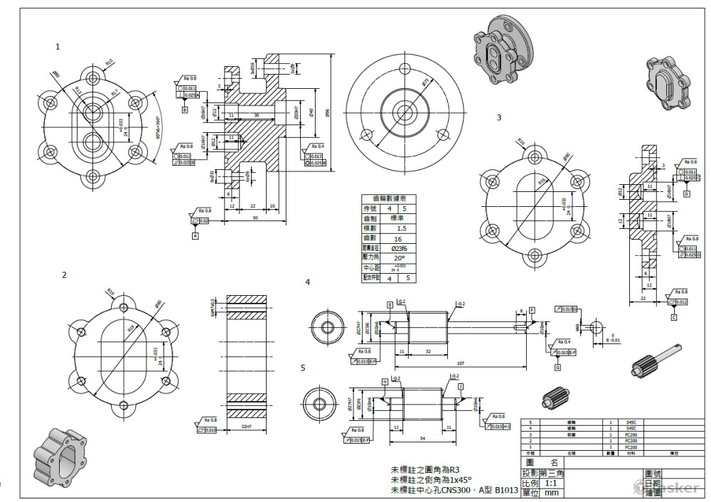
Solidworks-專題-一零件圖

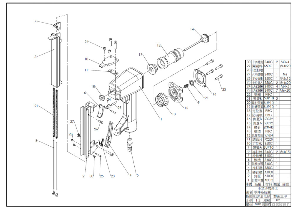
Solidworks-專題-爆炸圖

Inventor-零件圖

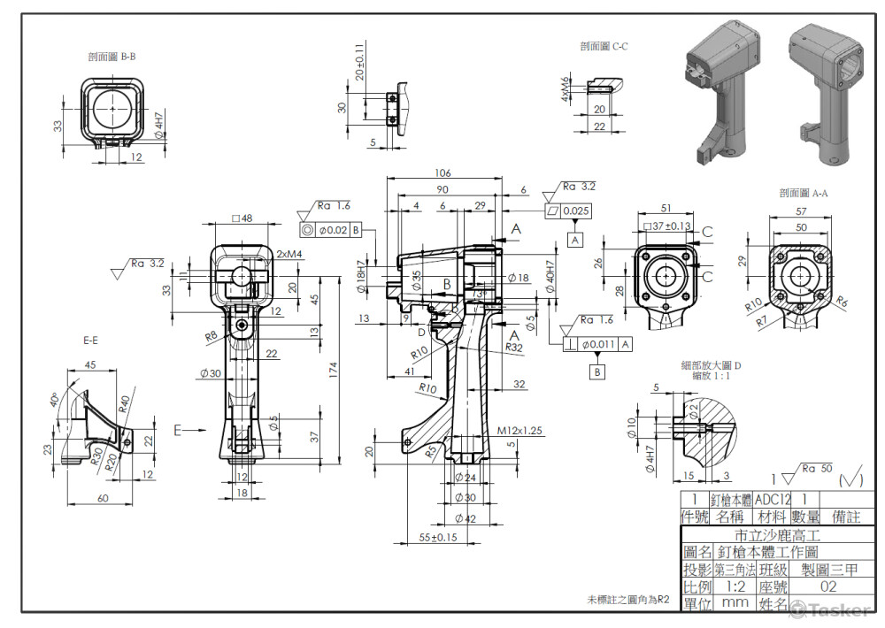
Autocad-一零件2D圖

0 人諮詢 一週前上線平均 -- 回覆