[外包接案使用調查]
公告
如何發案
如何接案
幫助中心
數字APP
▾
8591寶物交易
591房屋交易
100室內設計
8891中古車
8891汽車
518熊班
熊班企業版
小雞上工
找師傅
關鍵的事,交給對的人
我要接案
找專家
全部專家
AI應用
商業設計
軟硬體開發
法律會計
翻譯寫作
企劃行銷
專業諮詢
攝影娛樂
生活服務
找服務
全部服務
AI應用
商業設計
軟硬體開發
法律會計
翻譯寫作
企劃行銷
專業諮詢
攝影娛樂
生活服務
熱門外包
AI 應用
平面設計
會計記帳
短影音拍攝
找行情
動態
聊聊
立即登入
案主
專家
帳戶中心
案件管理
登入 / 註冊
我要發案
出任務
>
找專家
>
車用安卓機/電控/製圖職人
>
CAD作品
車用安卓機/電控/製圖職人
0
人諮詢
開始諮詢
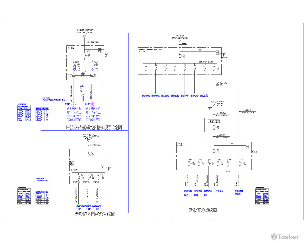
水電及其他工程繪圖
CAD作品
181
・
2022/08/09 更新
充電樁線槽配置
控制箱體設計
單線圖
網路架構升位圖
立面圖
更多來自 車用安卓機/電控/製圖職人 的作品
代工-環控盤
水電維修
22
網路工程
網路拉線工程
127
火災預警系統移報盤
水電維修
133
自動控制
水電維修
154
車用安卓機/電控/製圖職人
一週前上線
平均 -- 回覆
開始諮詢
車用安卓機/電控/製圖職人
0
人諮詢
一週前上線
平均 -- 回覆
開始諮詢