[外包接案使用調查]
公告
如何發案
如何接案
幫助中心
數字APP
▾
8591寶物交易
591房屋交易
100室內設計
8891中古車
8891汽車
518熊班
熊班企業版
小雞上工
找師傅
關鍵的事,交給對的人
我要接案
找專家
全部專家
AI應用
商業設計
軟硬體開發
法律會計
翻譯寫作
企劃行銷
專業諮詢
攝影娛樂
生活服務
找服務
全部服務
AI應用
商業設計
軟硬體開發
法律會計
翻譯寫作
企劃行銷
專業諮詢
攝影娛樂
生活服務
熱門外包
AI 應用
平面設計
會計記帳
短影音拍攝
找行情
動態
聊聊
立即登入
案主
專家
帳戶中心
案件管理
登入 / 註冊
我要發案
出任務
>
找專家
>
晉陞鐵藝
>
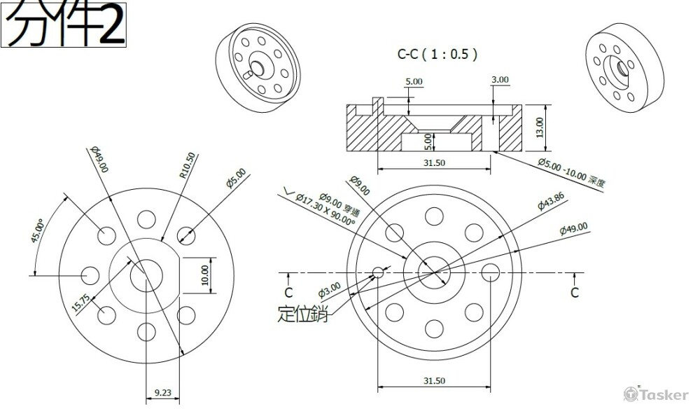
圖面繪製
晉陞鐵藝
1
人諮詢
開始諮詢
機械相關設計
圖面繪製
80
・
2026/04/21 更新
更多來自 晉陞鐵藝 的作品
機械手臂夾具
機械相關設計
65
碼剁夾具開發
機械相關設計
65
驅動測試影像
1
晉陞鐵藝
一週前上線
平均 -- 回覆
開始諮詢
晉陞鐵藝
1
人諮詢
一週前上線
平均 -- 回覆
開始諮詢