展開側邊欄位的漢堡樣式按鈕

機械相關設計

學生方程式賽車-輪組零件機構設計

134
2026/04/21 更新

輪組零件實體組合

FSAE 學生方程式賽車成車測試

輪組零件爆炸圖

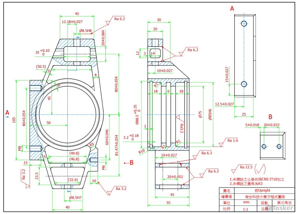
Upright工程圖

Hub組合

Aero RD

1 人諮詢 一週前上線平均 -- 回覆