展開側邊欄位的漢堡樣式按鈕

水電及其他工程繪圖

繪圖作品

676
2026/04/21 更新

灑水系統圖面

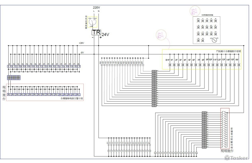
大樓_垃圾管道警示燈控制盤_電路圖

大樓臨時電盤單線圖

亞希向陽_平面圖

桃園中興路_平面圖

更多來自 陳又育 的作品

陳又育

0 人諮詢 一週前上線平均 -- 回覆