[外包接案使用調查]
我要接案
找專家
找服務
熱門外包
找行情
立即登入
>
wt.s工作室
開始諮詢
機械繪圖
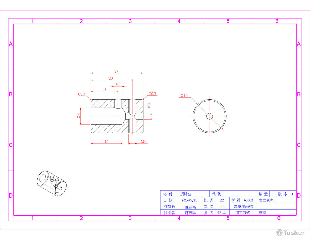
車件工程圖
銑/磨工程圖
板金工程圖
銑件工程圖
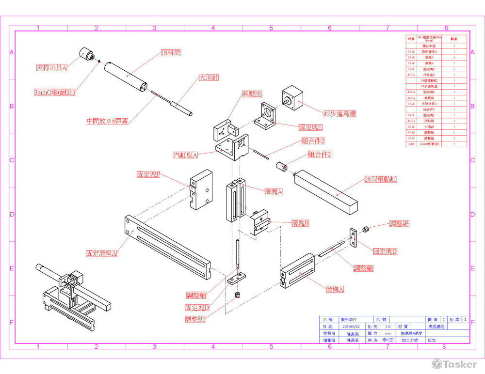
爆炸圖
印刷後製加工專用機
印刷後加工專用機