關於
可提供如下工作範圍 :
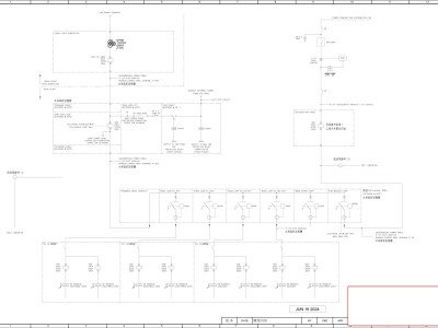
1. 22.8kV、11.4kV、380V、220V之高壓&低壓單線圖及相關圖面繪製
2. 可協助洽詢越南南部地區110kV及22kV用電申請
3. 電力設備規範書及相關電力計算書
4. 有其他電力系統問題,也可討論
官方網站 : https://sites.google.com/view/powernest/
擅長工具:
電力系統。
蓄能電力系統工作室
實名認證
可提供如下工作範圍 :
1. 22.8kV、11.4kV、380V、220V之高壓&低壓單線圖及相關圖面繪製
2. 可協助洽詢越南南部地區110kV及22kV用電申請
3. 電力設備規範書及相關電力計算書
4. 有其他電力系統問題,也可討論
官方網站 : https://sites.google.com/view/powernest/
擅長工具:
23筆作品 25
2筆作品 11
39筆作品 6
3筆作品 4
11筆作品 18
1/1